1 900
Калининград, улица Подполковника Емельянова










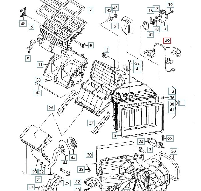
Проводка печки.
Коса печки.
Коса кондиционера.
Коса печки.
Проводка сервпориводов.
У нас есть видеообзор товара, предоставим по запросу.
ID 1054954
👁 1